EM21A交直流數字電流表
更新:2014-12-10 9:18:15??????點擊:
- 面框尺寸: 96 x 48 mm
- 顯示器: 4位LED,紅色,字高14.2mm
- 顯示范圍: -1999 ~ 9999,小數點位置可設置
產品介紹
交流、直流、多量程輸入,精確測量
4 位LED顯示,-1999 ~ 9999
零點顯示值、滿度顯示值、小數點位置任意設置
數字濾波功能濾除干擾信號,改善顯示值的穩定性
2 組報警輸出,動作模式、開啟延時、關閉延時靈活設置
具有上電報警延時功能,避免上電過程誤報警
主要技術規格
| 測量類型 | 輸入通道 | 測量范圍 | 接線端子 | 顯示方式 | 紅色高亮度數碼管, 字高14.2mm(0.56") |
| 交流電流ACA | 5A | 0~5A | ?-? | 顯示范圍 | -1999 ~ 9999, 小數點位置可設置 |
| 1A | 0~1A | ?-? | 超限顯示 |
HHHH、LLLL(輸入信號超出顯示范圍或超出量程的120%) EEEE(輸入信號過大, 無法測量) |
|
| 0.1A | 0~0.1A | ?-? | |||
| - | - | - | 準確度 | DCA ±0.5%FS±2d; ACA ±0.5%FS±5d(45~450Hz) | |
| 直流電流DCA | 5A | -1~5A | ?-? | 報警輸出 | 繼電器輸出, 觸點容量為2A/250VAC/30VDC(阻性負載) |
| 1A | -0.2~1A | ?-? | 電源 | 100-240VAC 50/60Hz (電壓允許范圍:額定值的85%~110%) | |
| 0.1A | -0.02~0.1A | ?-? | 消耗功率 | ≤2W | |
| 75mV | -15~75mV | ?-? | 使用環境 | 溫度 0~50℃, 相對濕度≤85%RH |
外形尺寸 (單位:mm)
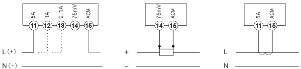
儀表端子排布與接線
電源 報警繼電器輸出 輸入通道(ACM為公共端)
交(直)流電流≤5A時直接接入 直流電流>5A時經分流器接入 交流電流>5A時經互感器接入
型號說明
更多產品





